Dodaj produkty podając kody
Dodaj plik CSV
Wpisz kody produktów, które chcesz zbiorczo dodać do koszyka (po przecinku, ze spacją lub od nowej linijki).
Powtórzenie wielokrotnie kodu, doda ten towar tyle razy ile razy występuje.
Przedstawione na niniejszej stronie internetowej informacje nie stanowią oferty handlowej w rozumieniu art.66 par.1 Kodeksu Cywilnego.
Marka
Symbol
29KNV320075802R2K
Seria
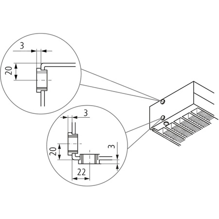
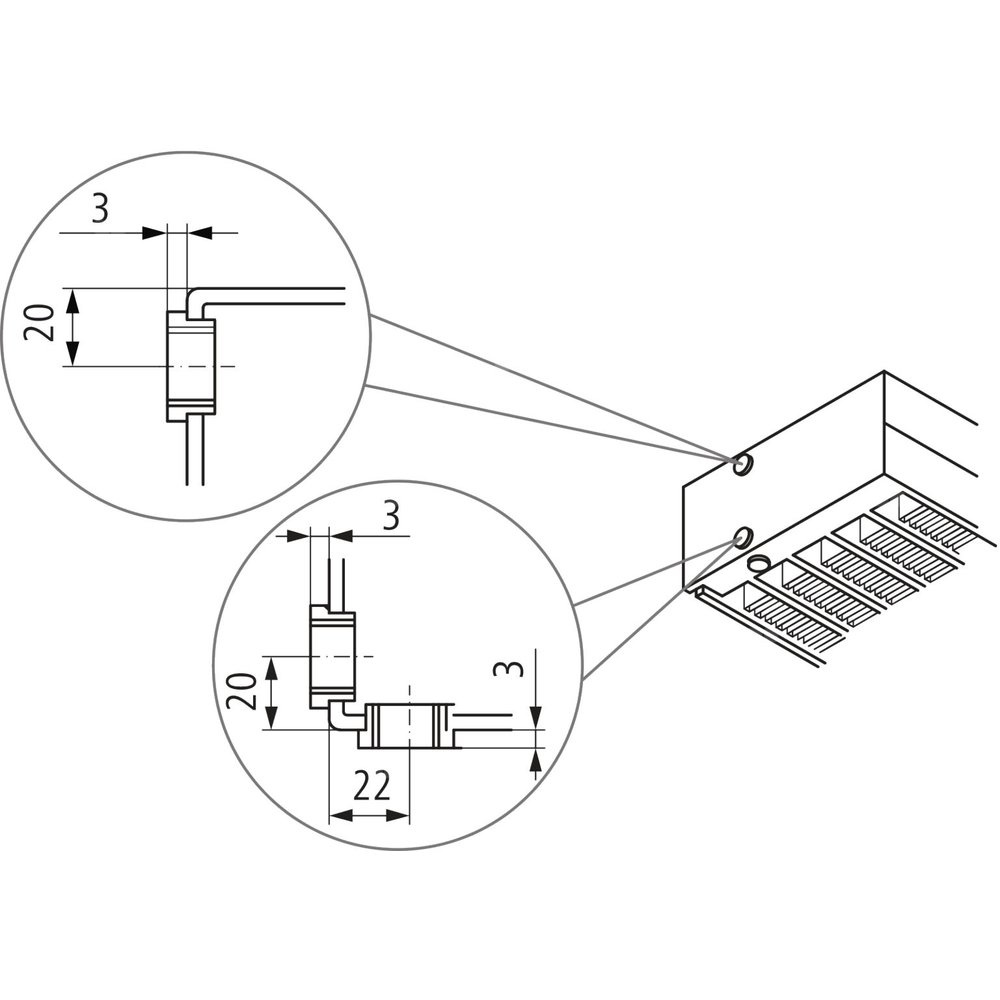
Rodzaj towaru
Grzejniki klimakonwektorowe
EAN
4051487199844
Kod producenta
KNV320075802R2K
Długość towaru w centymetrach
590
Wysokość towaru w centymetrach
8.5
Szerokość towaru w centymetrach
15.8
Strona www producenta
www.kermi.pl
Zapytaj o produkt
Napisz swoją opinię
















