Dodaj produkty podając kody
Dodaj plik CSV
Wpisz kody produktów, które chcesz zbiorczo dodać do koszyka (po przecinku, ze spacją lub od nowej linijki).
Powtórzenie wielokrotnie kodu, doda ten towar tyle razy ile razy występuje.
Przedstawione na niniejszej stronie internetowej informacje nie stanowią oferty handlowej w rozumieniu art.66 par.1 Kodeksu Cywilnego.
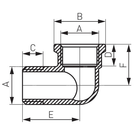
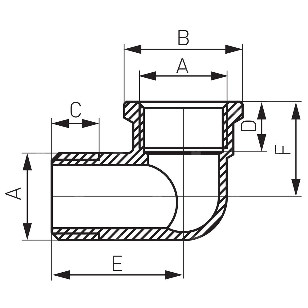
Unikalne cechy produktu:
Kolano nakrętno-wkrętne G3/8 wykonane z mosiądzu wysokogatunkowego CW617N. Maksymalna temperatura pracy 95°C maksymalne ciśnienie pracy 10 bar
Dane techniczne:
- Kod kreskowy: opakowanie z kodem kreskowym umożliwiającym sprzedaż detaliczną
- Materiał korpusu/materiał wykonania: mosiądz
- Przyłącze: G2
- Rodzaj przyłączenia: nakrętno-wkrętny
- Wymiar A: MarkaSymbolK5K15ZSeriaRodzaj towaruŁączniki gwintowane z brązu i mosiądzuEAN5901095630507Kod producentaK15ZKąt łuku [°]90Materiał połączenia 1MosiądzZnamionowa średnica wewnętrzna połączenia 12''Połączenie 1Gwint wewnętrznyPołączenie 2Gwint zewnętrznyGłówny kolor złączaŻółtyRodzaj złączaKolanoDługość towaru w centymetrach11Wysokość towaru w centymetrach6.5Szerokość towaru w centymetrach9.5Strona www producentawww.ferro.plZapytaj o produktNapisz swoją opinię










