Dodaj produkty podając kody
Dodaj plik CSV
Wpisz kody produktów, które chcesz zbiorczo dodać do koszyka (po przecinku, ze spacją lub od nowej linijki).
Powtórzenie wielokrotnie kodu, doda ten towar tyle razy ile razy występuje.
Przedstawione na niniejszej stronie internetowej informacje nie stanowią oferty handlowej w rozumieniu art.66 par.1 Kodeksu Cywilnego.
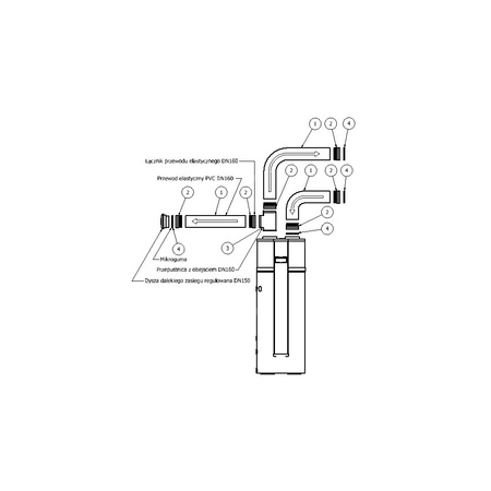
Zestaw wentylacyjny przystosowany jest do wykonania instalacji wentylacyjnej pompy ciepła. Powietrze zasysane jest z zewnątrz, natomiast za pomocą przepustnicy (z ręczną nastawą położenia) możemy tłoczyć je opcjonalnie na zewnątrz budynku lub do pomieszczenia. Jeżeli potrzebne jest zastosowanie dwóch przepustnic (po stronia ssania i tłoczenia powietrza), należy wybrać zestaw wentylacyjny rozszerzony.
Marka
Symbol
B690.00.06
Rodzaj towaru
Osprzęt do pomp ciepła
EAN
5902023501791
Kod producenta
90.00.06
Strona www producenta
www.hewalex.pl
Zapytaj o produkt
Napisz swoją opinię










