Dodaj produkty podając kody
Przedstawione na niniejszej stronie internetowej informacje nie stanowią oferty handlowej w rozumieniu art.66 par.1 Kodeksu Cywilnego.
KESSEL Zawór przeciwzalewowy Staufix, wielkość nominalna (DN) 125, ścieków Ścieki bez fekaliów, zamknięcie pokrywy Zamknięcie obsługiwane jedną ręką, swobodny przewód kanalizacyjny, typ pokrywy pokrywa zamykająca, nie
- Opcjonalna klapa do ochrony przed gryzoniami dla dodatkowego bezpieczeństwa
- Elastyczna zabudowa, dostępne różne pokrywy przy zabudowie w płycie podłogowej
- Alternatywnie dostępny również jako zestaw modułowy
Zawór przeciwzalewowy Staufix DN 125, swobodny, Typ 2
Zawór przeciwzalewowy do ścieków bez fekaliów jest wyposażony w dwie klapy mechaniczne, które samoczynnie zamykają się podczas przepływu zwrotnego. Jedna klapa zwrotna służy jednocześnie jako ręczne zamykanie awaryjne. Modułowy system elementów KESSEL pozwala na bezproblemowe przezbrojenie istniejących urządzeń w zawór przeciwzalewowy StaufixControl.
Wersja
- Klapa ze stali nierdzewnej jako ochrona przed gryzoniami: nie
- Zamknięcie awaryjne: tak
- Mechaniczne klapy zwrotne: 2
Cechy ogólne
- Kolor: czarny
- Norma: EN 13564
- Wielkość nominalna (DN): 125
- Średnica zewnętrzna (DA): 125 mm
- Typ ścieków: Ścieki bez fekaliów
- Sposób zabudowy: swobodny przewód kanalizacyjny
- Stan w momencie dostawy: gotowy do instalacji
- Ochrona przeciwzalewowa: Typ 2
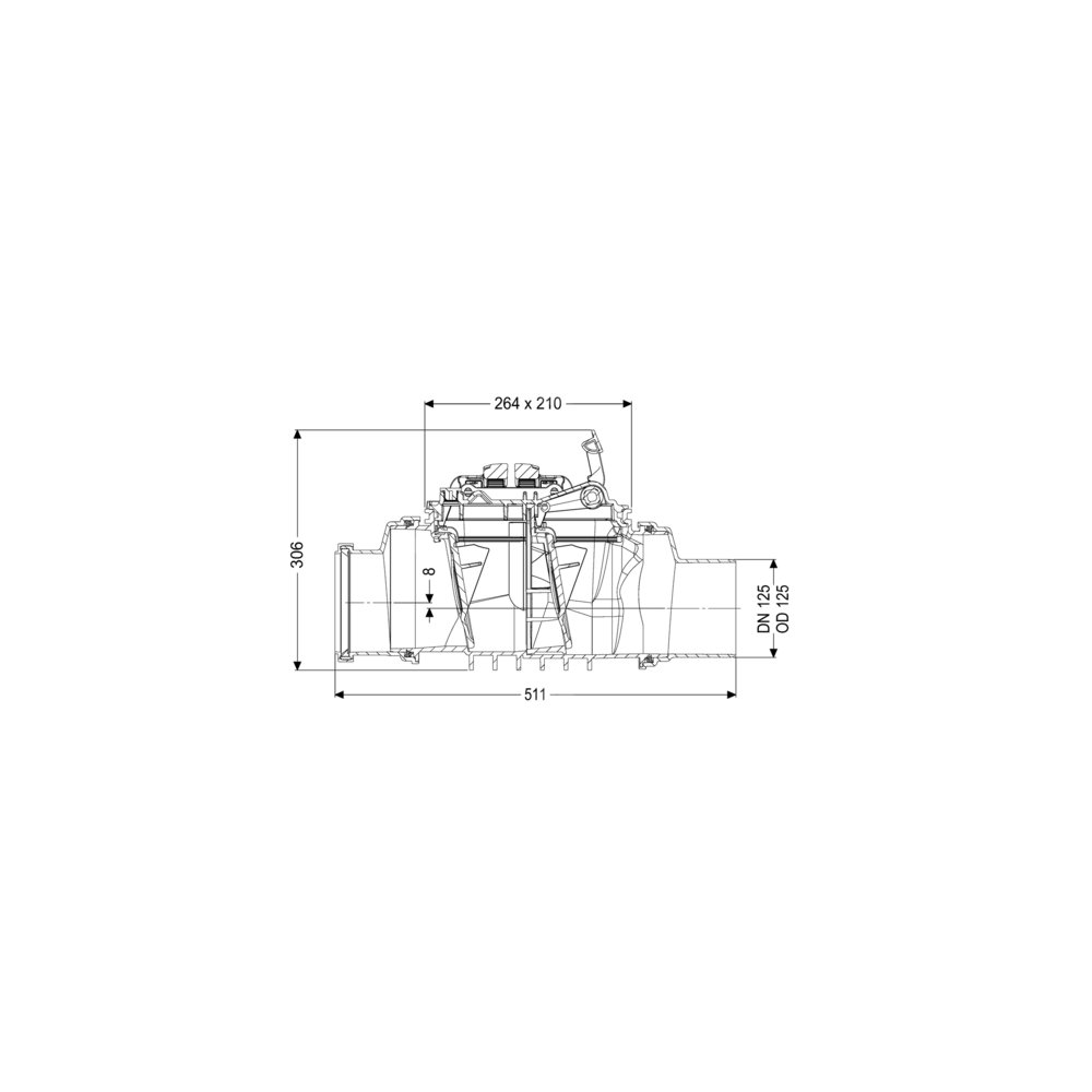
Wymiary
- Ciężar netto: 3,26 kg
- Ciężar brutto: 3,94 kg
- Spadek: 8 mm
- Długość: 511 mm
- Szerokość: 216 mm
- Wysokość: 306 mm
- Wymiar opakowania: dł.: 524 mm
- Wymiar opakowania: szer.: 222 mm
- Wymiar opakowania: wys.: 265 mm
Cechy pokrywy
- Typ pokrywy: pokrywa zamykająca
- Blokada pokrywy: Zamknięcie obsługiwane jedną ręką











