Dodaj produkty podając kody
Dodaj plik CSV
Wpisz kody produktów, które chcesz zbiorczo dodać do koszyka (po przecinku, ze spacją lub od nowej linijki).
Powtórzenie wielokrotnie kodu, doda ten towar tyle razy ile razy występuje.
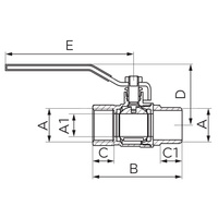
P.POŻ. ZAWÓR TESTOWY SIECI PRZECIWPOŻAROWEJ PROSTY ZE SPUSTEM, KRYZA TESTOWA 3/4'' WSP. WYPŁYWU K=14.0 (K200), MOSIĄDZ 1 1/2" Rp GW
Przedstawione na niniejszej stronie internetowej informacje nie stanowią oferty handlowej w rozumieniu art.66 par.1 Kodeksu Cywilnego.
Korpus wykonany z kutego mosiądzu. Stosowany w sieciach przeciwpożarowych, łączący funkcje testowania i odprowadzania wody z systemu.
Ciśnienie znamionowe: 300 PSI.
Zapytaj o produkt
Napisz swoją opinię







![Obejma termoizolacyjna z obejmą metalową K-FLEX ST PIPE SUPPORT - 19 × 133 - [4]](hpeciai/114b877af9d2be7a7d25c06e28537c40/pol_is_Obejma-termoizolacyjna-z-obejma-metalowa-K-FLEX-ST-PIPE-SUPPORT-19-x-133-4-194611.jpg)


