Dodaj produkty podając kody
Dodaj plik CSV
Wpisz kody produktów, które chcesz zbiorczo dodać do koszyka (po przecinku, ze spacją lub od nowej linijki).
Powtórzenie wielokrotnie kodu, doda ten towar tyle razy ile razy występuje.
Przedstawione na niniejszej stronie internetowej informacje nie stanowią oferty handlowej w rozumieniu art.66 par.1 Kodeksu Cywilnego.
|
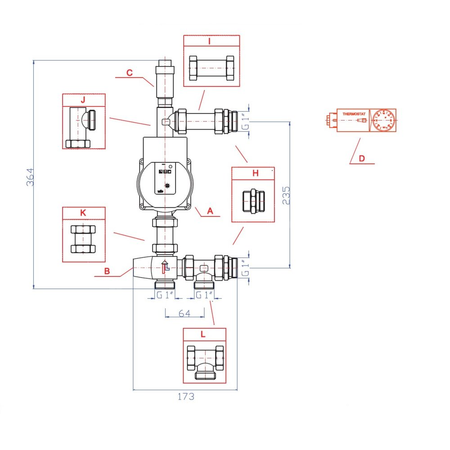
charakterystyka
|
opakowanie - ilość szt.
|
masa jedn.
|
nr kat.
|
||||||
|
A
|
B
|
C
|
G
|
Kv
|
zakres
|
woreczek
|
karton
|
kg
|
|
|
~371
|
235
|
~172
|
1"
|
1,6
|
20°-43°C
|
-
|
1
|
4,8
|
WE40322-43
|
|
~371
|
235
|
~172
|
1"
|
1,6
|
35°-60°C
|
-
|
1
|
4,8
|
WE40322-60
|
|
~371
|
235
|
~172
|
1"
|
2,3
|
20°-43°C
|
-
|
1
|
4,8
|
WE40372-43
|
|
~371
|
235
|
~172
|
1"
|
2,3
|
35°-60°C
|
-
|
1
|
4,8
|
WE40372-60
|
Marka
Symbol
C2WE40322-60
Rodzaj towaru
Pompy i grupy pompowe do c.o. i c.w.u.
EAN
5900000316628
Kod producenta
WE40322-60
Wartość Kvs
1.6
Rozmiar przyłącza pompy
1''
Z zaworem mieszającym
1
Z zaworem termostatycznym
1
Strona www producenta
www.rumet.pl
Zapytaj o produkt
Napisz swoją opinię


















