Dodaj produkty podając kody
Dodaj plik CSV
Wpisz kody produktów, które chcesz zbiorczo dodać do koszyka (po przecinku, ze spacją lub od nowej linijki).
Powtórzenie wielokrotnie kodu, doda ten towar tyle razy ile razy występuje.
Przedstawione na niniejszej stronie internetowej informacje nie stanowią oferty handlowej w rozumieniu art.66 par.1 Kodeksu Cywilnego.
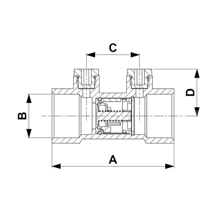
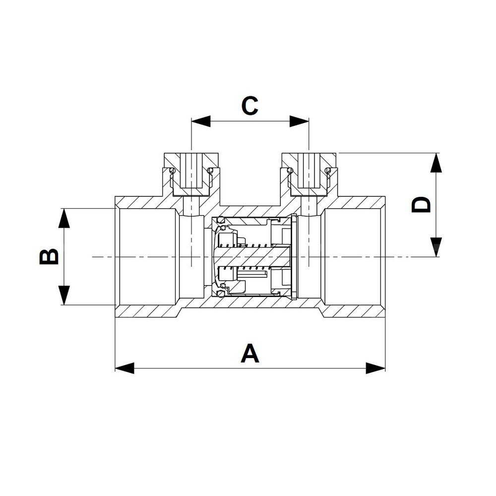
Zawór zwrotny antyskażeniowy 3/4
Informacje dodatkowe
- Kolekcja: zawory antyskażeniowe
Parametry techniczne
- B [mm]: 20
- A [mm]: 70
- C [mm]: 29
- D [mm]: 28,5
- Element sterujący: grzybek zaworu
- Przyłączenie: nakrętne
- Powierzchnia: śrutowana
- Przelot: standardowy
- Ciśnienie robocze [bar]: 10
- Temperatura wody ['C] maks.: 65'C
- Wymiar [cal]: 3/4
Marka
Symbol
04711-000-20
Rodzaj towaru
Armatura regulacyjna
EAN
5907571710275
Kod producenta
711-000-20
Materiał korpusu
Mosiądz
Nominalna średnica wewnętrzna
3/4''
Rodzaj połączeń
GW
Strona www producenta
www.kfa.pl
Zapytaj o produkt
Napisz swoją opinię










