Dodaj produkty podając kody
Dodaj plik CSV
Wpisz kody produktów, które chcesz zbiorczo dodać do koszyka (po przecinku, ze spacją lub od nowej linijki).
Powtórzenie wielokrotnie kodu, doda ten towar tyle razy ile razy występuje.
Przedstawione na niniejszej stronie internetowej informacje nie stanowią oferty handlowej w rozumieniu art.66 par.1 Kodeksu Cywilnego.
|
charakterystyka
|
opakowanie - ilość szt.
|
masa jedn.
|
nr kat.
|
|||||||||||||||||
|
G1
|
G2
|
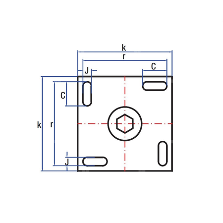
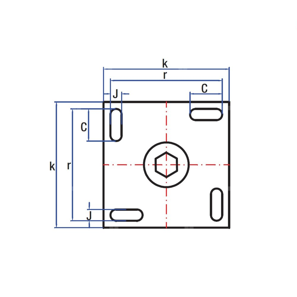
k
|
J
|
r
|
c
|
L
|
m
|
N
|
F
|
w
|
h1
|
h2
|
h3
|
S1
|
S2
|
S3
|
woreczek
|
karton
|
kg
|
|
|
3/4"
|
1/2"
|
85
|
9
|
72
|
20
|
251
|
110
|
-
|
180
|
46
|
-
|
-
|
19
|
-
|
-
|
-
|
-
|
1
|
1,892
|
CO2030
|
|
3/4"
|
1/2"
|
85
|
9
|
72
|
20
|
251
|
110
|
80
|
180
|
46
|
-
|
12
|
19
|
30
|
27
|
-
|
-
|
1
|
2,046
|
CO2031
|
|
3/4"
|
1/2"
|
85
|
9
|
72
|
20
|
251
|
110
|
80
|
180
|
46
|
11
|
12
|
-
|
30
|
27
|
27
|
-
|
1
|
1,992
|
CO2032
|
Marka
Symbol
C2CO2030
Rodzaj towaru
Pozostałe zabezpieczenia instalacji
EAN
5900000169125
Kod producenta
CO2030
Długość połączenia 1 [mm]
180
Materiał korpusu
Mosiądz
Nominalna średnica wewnętrzna
3/4''
Rodzaj połączenia
Gwint zewnętrzny
Strona www producenta
www.rumet.pl
Zapytaj o produkt
Napisz swoją opinię














