Dodaj produkty podając kody
Dodaj plik CSV
Wpisz kody produktów, które chcesz zbiorczo dodać do koszyka (po przecinku, ze spacją lub od nowej linijki).
Powtórzenie wielokrotnie kodu, doda ten towar tyle razy ile razy występuje.
Przedstawione na niniejszej stronie internetowej informacje nie stanowią oferty handlowej w rozumieniu art.66 par.1 Kodeksu Cywilnego.
|
charakterystyka
|
opakowanie - ilość szt.
|
masa jedn.
|
nr kat.
|
|||||||||||
|
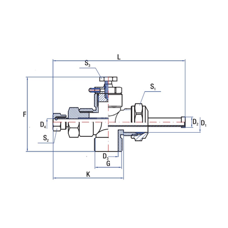
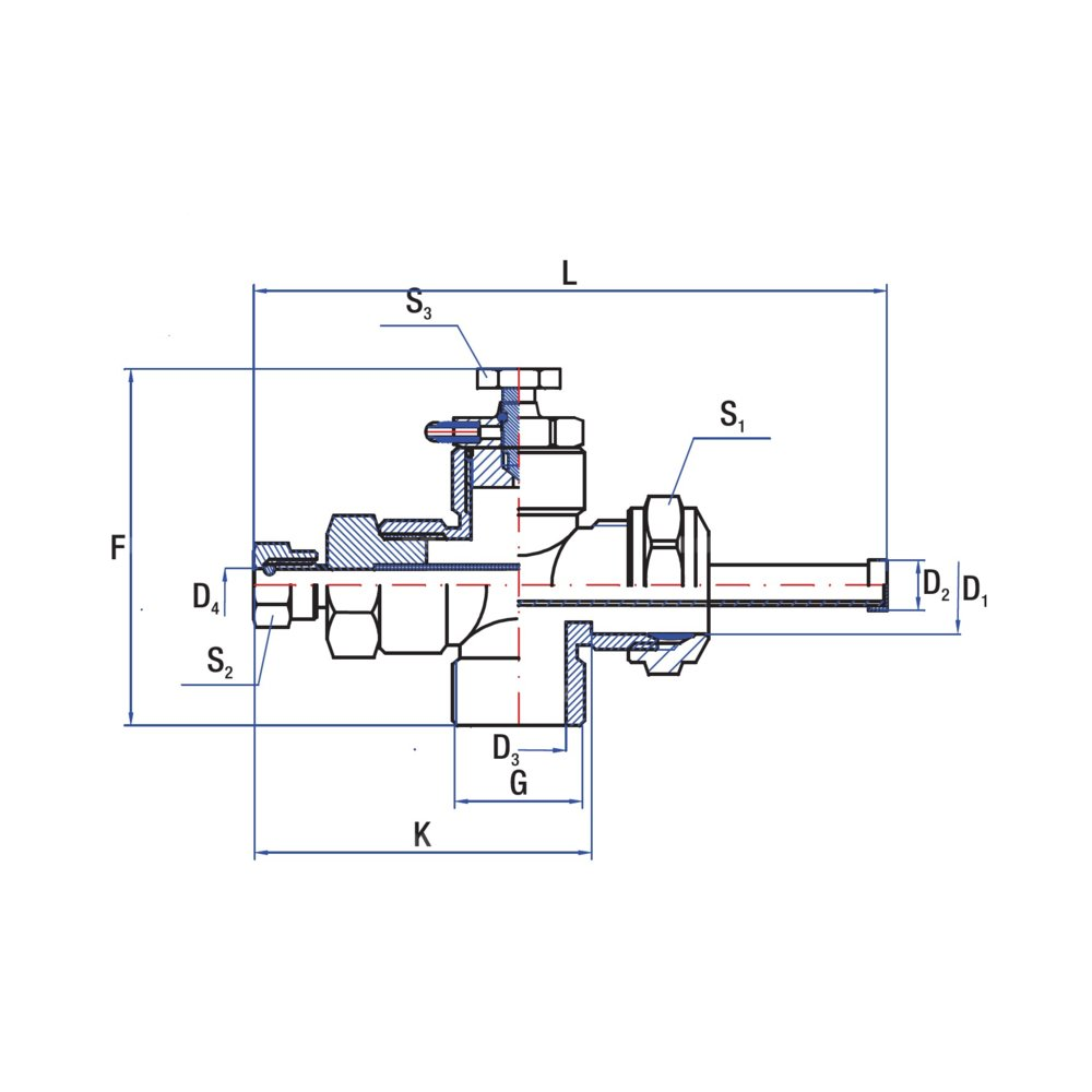
G
|
L
|
K
|
F
|
D1
|
D2
|
D3
|
D4
|
S1
|
S2
|
S3
|
woreczek
|
karton
|
kg
|
|
|
3/4"
|
121
|
65
|
69
|
18
|
10
|
18
|
6
|
27
|
14
|
14
|
5
|
20
|
0,300
|
9090014
|
|
3/4"
|
121
|
65
|
69
|
22
|
10
|
18
|
6
|
32
|
14
|
14
|
5
|
20
|
0,330
|
9090015
|
|
-
|
121
|
65
|
62
|
18
|
10
|
18
|
6
|
27
|
14
|
14
|
5
|
20
|
0,310
|
9090039
|
|
-
|
121
|
65
|
62
|
22
|
10
|
22
|
6
|
32
|
14
|
14
|
5
|
20
|
0,340
|
9090016
|
|
1/2"
|
171
|
65
|
69
|
18
|
10
|
18
|
6
|
27
|
14
|
14
|
5
|
15
|
0,280
|
90900145
|
|
1/2"
|
171
|
65
|
69
|
22
|
10
|
18
|
6
|
32
|
14
|
14
|
5
|
15
|
0,290
|
90900155
|
|
-
|
171
|
65
|
62
|
18
|
10
|
18
|
6
|
27
|
14
|
14
|
5
|
15
|
0,320
|
90900395
|
|
-
|
171
|
65
|
62
|
22
|
10
|
22
|
6
|
32
|
14
|
14
|
5
|
15
|
0,340
|
90900165
|
|
1/2"
|
221
|
65
|
69
|
18
|
10
|
18
|
6
|
27
|
14
|
14
|
5
|
15
|
0,290
|
90900142
|
|
1/2"
|
221
|
65
|
69
|
22
|
10
|
18
|
6
|
32
|
14
|
14
|
5
|
15
|
0,300
|
90900152
|
|
-
|
221
|
65
|
62
|
18
|
10
|
18
|
6
|
27
|
14
|
14
|
5
|
15
|
0,330
|
90900392
|
|
-
|
221
|
65
|
62
|
22
|
10
|
22
|
6
|
32
|
14
|
14
|
5
|
15
|
0,250
|
90900162
|
Marka
Symbol
C290900142
Rodzaj towaru
Zawory grzejnikowe
EAN
5900000222202
Kod producenta
90900142
Rozmiar połączenia rurowego
3/4"
Strona www producenta
www.rumet.pl
Zapytaj o produkt
Napisz swoją opinię















