Dodaj produkty podając kody
Dodaj plik CSV
Wpisz kody produktów, które chcesz zbiorczo dodać do koszyka (po przecinku, ze spacją lub od nowej linijki).
Powtórzenie wielokrotnie kodu, doda ten towar tyle razy ile razy występuje.
Przedstawione na niniejszej stronie internetowej informacje nie stanowią oferty handlowej w rozumieniu art.66 par.1 Kodeksu Cywilnego.
|
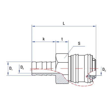
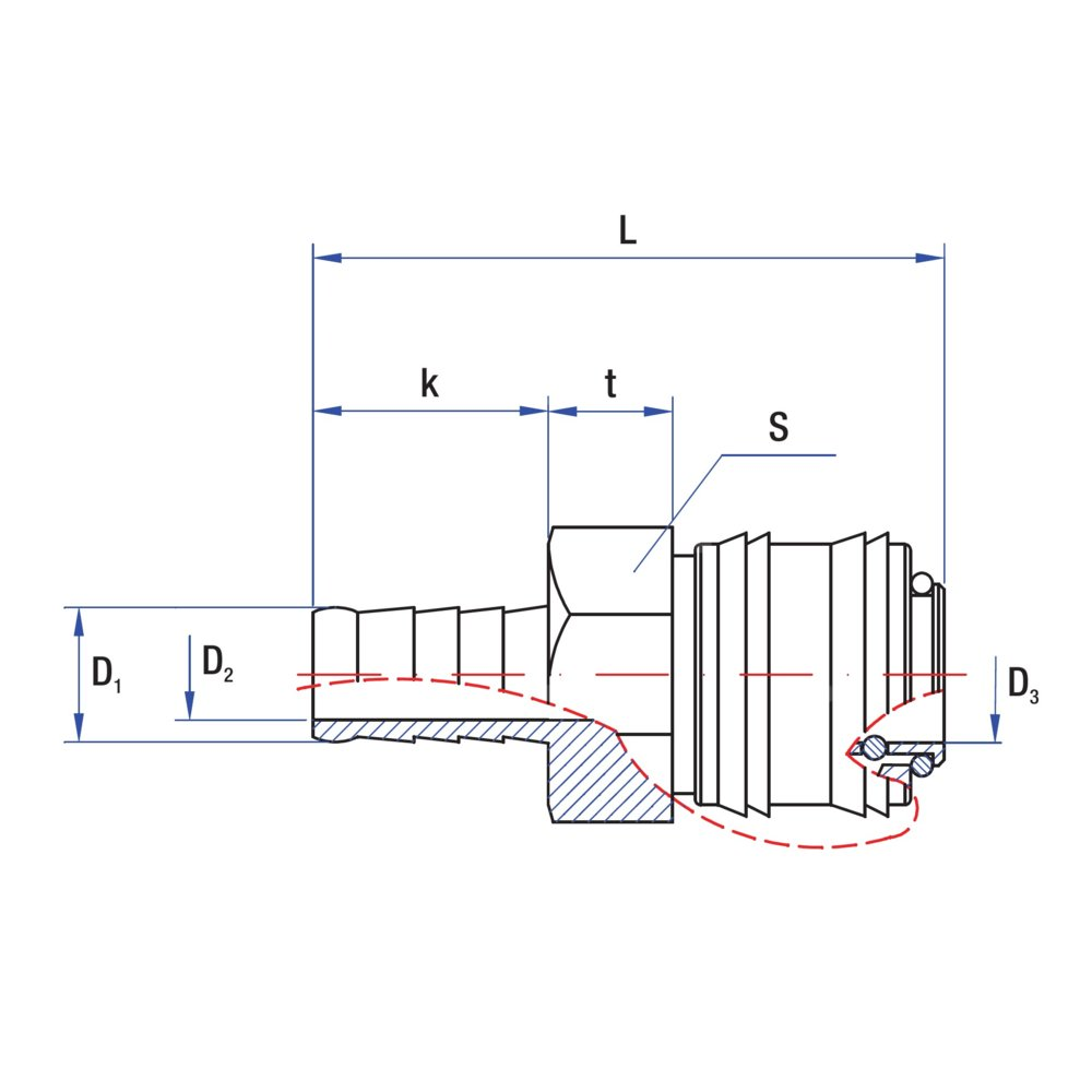
charakterystyka
|
opakowanie - ilość szt.
|
masa jedn.
|
nr kat.
|
|||||||
|
D1
|
D2
|
D3
|
L
|
k
|
t
|
S
|
woreczek
|
karton
|
kg
|
|
|
6
|
3
|
12
|
51
|
20
|
5
|
22
|
10
|
60
|
0,065
|
90300
|
|
8
|
5
|
12
|
51
|
20
|
5
|
22
|
10
|
60
|
0,069
|
90301
|
|
10
|
6,5
|
12
|
50
|
24
|
5
|
22
|
10
|
60
|
0,072
|
90302
|
|
12
|
8
|
12
|
50
|
24
|
5
|
22
|
10
|
60
|
0,075
|
90303
|
Marka
Symbol
C290300
Rodzaj towaru
Łączniki gwintowane z brązu i mosiądzu
EAN
2026625641488
Kod producenta
90300
Średnica króćca do podłączenia węża [mm]
6
Materiał
Mosiądz
Model/kształt/forma
gniazdo
Strona www producenta
www.rumet.pl
Zapytaj o produkt
Napisz swoją opinię












