Dodaj produkty podając kody
Dodaj plik CSV
Wpisz kody produktów, które chcesz zbiorczo dodać do koszyka (po przecinku, ze spacją lub od nowej linijki).
Powtórzenie wielokrotnie kodu, doda ten towar tyle razy ile razy występuje.
Przedstawione na niniejszej stronie internetowej informacje nie stanowią oferty handlowej w rozumieniu art.66 par.1 Kodeksu Cywilnego.
Marka
Symbol
C201638
Rodzaj towaru
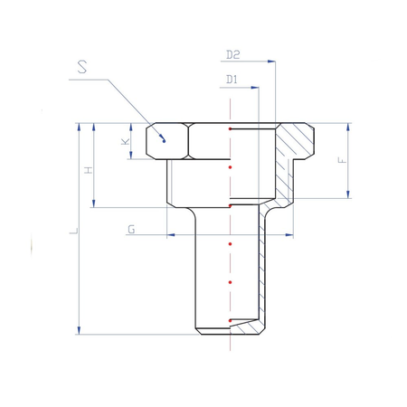
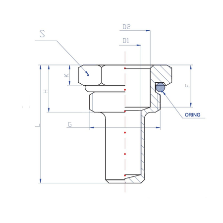
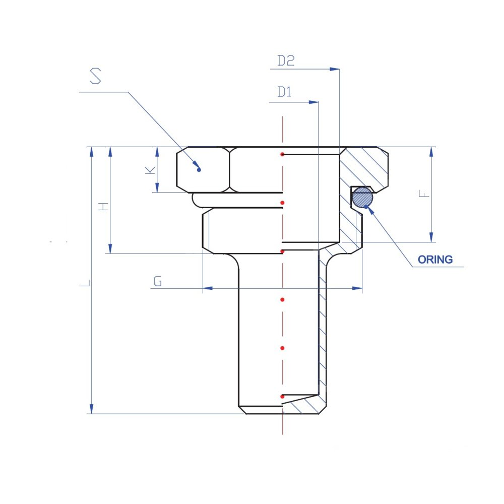
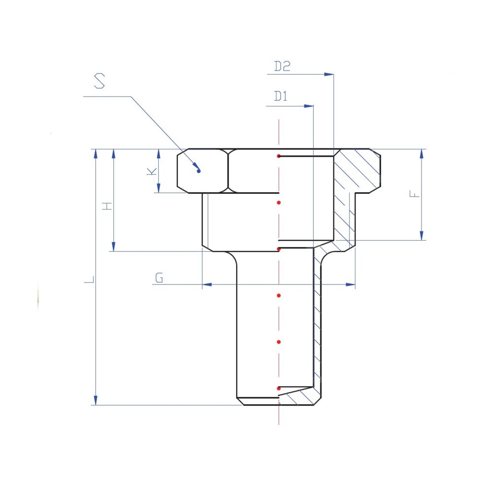
Łączniki gwintowane z brązu i mosiądzu
EAN
5900000068978
Kod producenta
01638
Długość [mm]
50
Materiał połączenia 1
Mosiądz
Znamionowa średnica wewnętrzna połączenia 1
1/2''
Połączenie 1
Gwint zewnętrzny
Połączenie 2
Na wtyk
Rodzaj złącza
Osłona termometru z oringiem
Strona www producenta
www.rumet.pl
Zapytaj o produkt
Napisz swoją opinię






















