Dodaj produkty podając kody
Przedstawione na niniejszej stronie internetowej informacje nie stanowią oferty handlowej w rozumieniu art.66 par.1 Kodeksu Cywilnego.
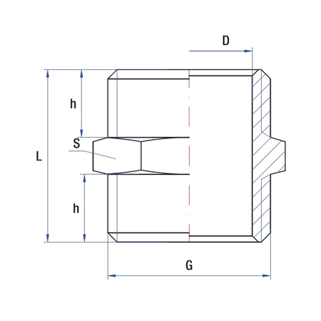
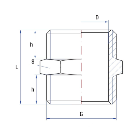
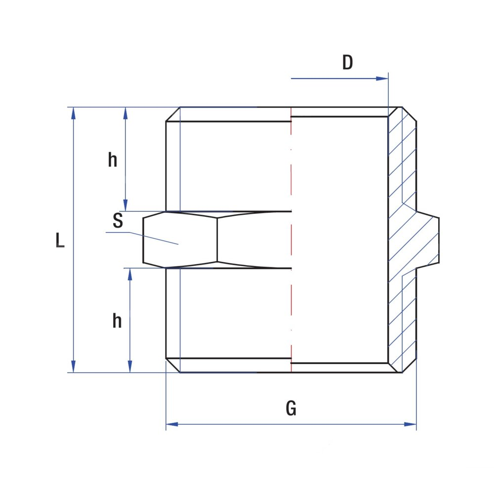
Nypel - przeznaczony jest do łączenia rur i elementów instalacji wykonanych z miedzi, stopów miedzi, stali lub żeliwa z końcówkami z gwintem według normyPN-EN ISO 228-1:2005 i znajdują zastosowanie w instalacjach:
- centralnego ogrzewania
- wodociągowych wody zimnej i ciepłej (w tym woda pitna)
- chłodniczych i solarnych napełnianych 50% roztworem glikolu (wody lodowej)
Nypel - montowany może być w rurociągach pionowych, poziomych oraz skośnych w dowolnym położeniu. W przypadku łączników bez uszczelek na końcówkach gwintowanych do uszczelnienia połączeń powinny być stosowane środki uszczelniające spełniające wymagania norm PN-EN 751-1:2005, PN-EN 751-2:2005 oraz PN-EN 751-3:2005
Najważniejsze parametry pracy:
- minimalna temperatura robocza: -20⁰C
- maksymalne ciśnienie robocze: 1,6MPa (16 bar)
- maksymalna temperatura robocza: +150⁰C dla łączników z korpusem jednolitym, +120⁰C dla dwuzłączek, a 100⁰C dla dwuzłączek z uszczelkami gumowymi
Najważniejsze zalety:
- wyprodukowany z certyfikowanego, europejsiego mosiądzu CW617N
- dopuszczony do kontaktu z wodą pitną, posiadają Atest PZH
- długości gwintów wykonane zgodnie z normą
- solidne, grube ścianki gwarantujące bezawaryjną pracę instalacji
Produkujemy złączki w oparciu o systemy ISO 9001, ISO 14001. Złączki powstają w technologi kucia matrycowego mosiądzu na gorąco oraz obróbki skrawaniem. Na mosiężne kształtki stosujemy ubezpieczenie szkody na całym terytorium EU.
Jako materiał uszczelniający do montażu złączek mosiężnych zaleca się uzywanie nici uszczelniającej lub taśmy teflonowej. NIE ZALECAMY używania konopi jako materiał uszczelniający.















