Dodaj produkty podając kody
Dodaj plik CSV
Wpisz kody produktów, które chcesz zbiorczo dodać do koszyka (po przecinku, ze spacją lub od nowej linijki).
Powtórzenie wielokrotnie kodu, doda ten towar tyle razy ile razy występuje.
Przedstawione na niniejszej stronie internetowej informacje nie stanowią oferty handlowej w rozumieniu art.66 par.1 Kodeksu Cywilnego.
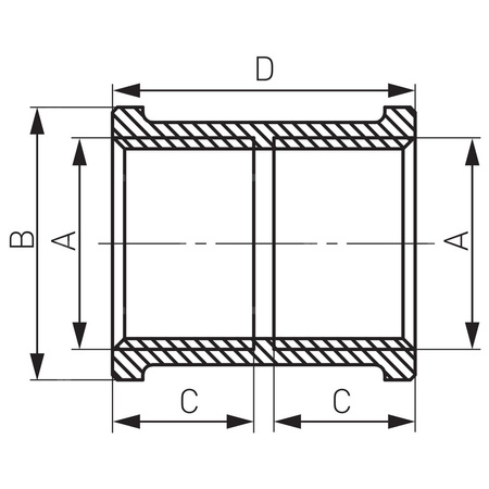
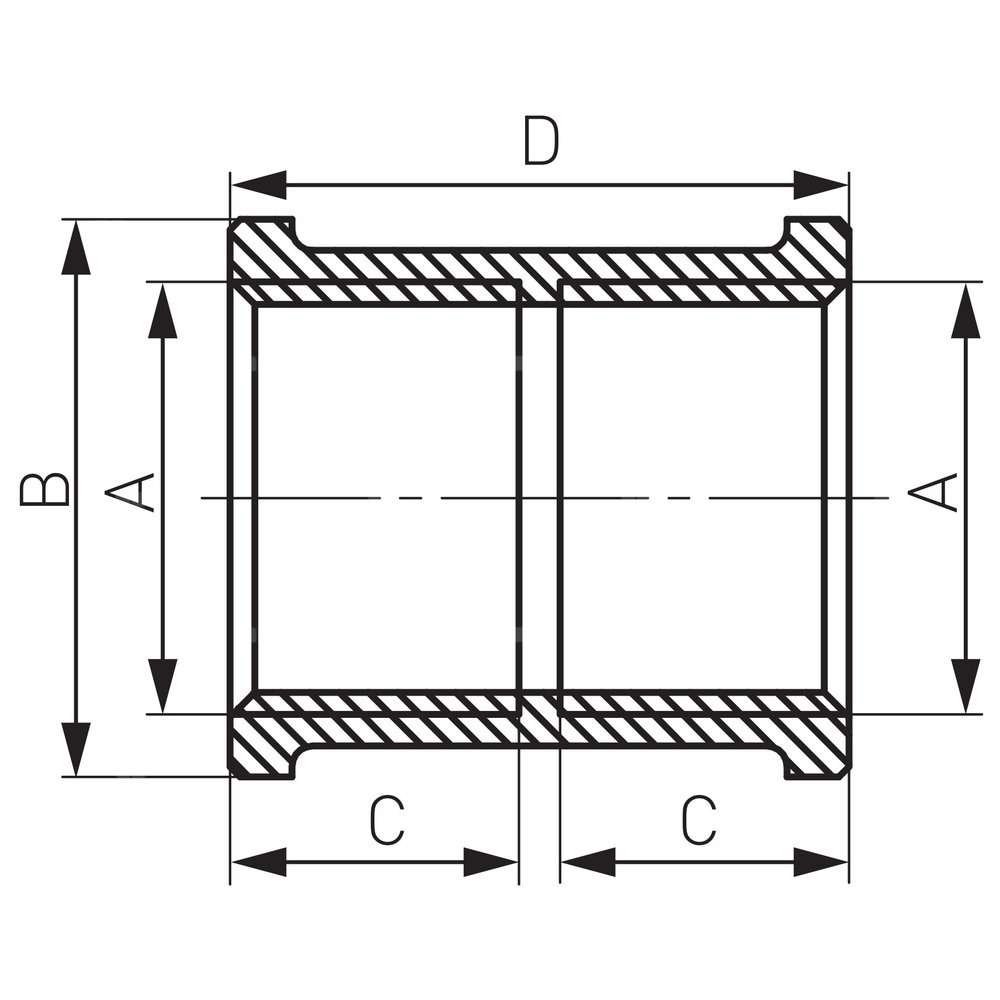
Unikalne cechy produktu:
Mufa wykonana z mosiądzu wysokogatunkowego CW617N. Maksymalna temperatura pracy 95°C. Maksymalne ciśnienie pracy 10 bar
Dane techniczne:
- Kod kreskowy: opakowanie z kodem kreskowym umożliwiającym sprzedaż detaliczną
- Materiał korpusu/materiał wykonania: mosiądz
- Przyłącze: G1 1/2
- Rodzaj przyłączenia: nakrętno-nakrętny
- Wymiar A: G1 1/2MarkaSymbolK5M06ZSeriaRodzaj towaruŁączniki gwintowane z brązu i mosiądzuEAN5902194915427Kod producentaM06ZMateriał połączenia 1MosiądzZnamionowa średnica wewnętrzna połączenia 16/4''Połączenie 1Gwint wewnętrznyZnamionowa średnica wewnętrzna połączenia 26/4''Połączenie 2Gwint wewnętrznyGłówny kolor złączaŻółtyRodzaj złączaMufaDługość towaru w centymetrach5.5Wysokość towaru w centymetrach5Szerokość towaru w centymetrach5.5Strona www producentawww.ferro.plZapytaj o produktNapisz swoją opinię















