Dodaj produkty podając kody
Dodaj plik CSV
Wpisz kody produktów, które chcesz zbiorczo dodać do koszyka (po przecinku, ze spacją lub od nowej linijki).
Powtórzenie wielokrotnie kodu, doda ten towar tyle razy ile razy występuje.
Przedstawione na niniejszej stronie internetowej informacje nie stanowią oferty handlowej w rozumieniu art.66 par.1 Kodeksu Cywilnego.
HTplus to kompletny system rur i kształtek kanalizacyjnych nowej generacji, spełniający rygorystyczne wymagania systemu niskoszumowego. Produkowany jest z tworzywa o udoskonalonej recepturze na bazie polipropylenu i składników naturalnych. Spełnia wszystkie warunki nowoczesnego, ekologicznego systemu kanalizacyjnego odprowadzającego ścieki.
Marka
Symbol
6210665
Rodzaj towaru
Rury do kanalizacji wewnętrznej
EAN
4052836170705
Kod producenta
10665
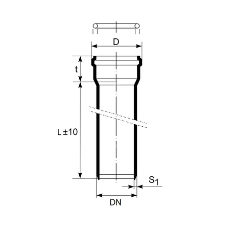
Grubość ściany [mm]
3.9
Średnica zewnętrzna rury [mm]
160
Gatunek materiału
PP
Kolor rury
Szary
Z kielichem
1
Długość [mm]
3000
Do kanalizacji
1
Strona www producenta
www.magnaplast.pl
Zapytaj o produkt
Napisz swoją opinię










