Dodaj produkty podając kody
Dodaj plik CSV
Wpisz kody produktów, które chcesz zbiorczo dodać do koszyka (po przecinku, ze spacją lub od nowej linijki).
Powtórzenie wielokrotnie kodu, doda ten towar tyle razy ile razy występuje.
Przedstawione na niniejszej stronie internetowej informacje nie stanowią oferty handlowej w rozumieniu art.66 par.1 Kodeksu Cywilnego.
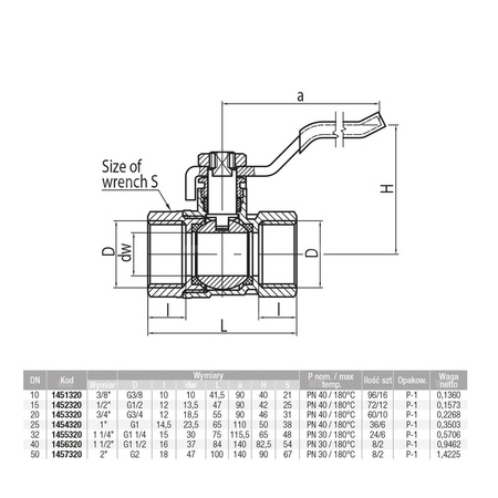
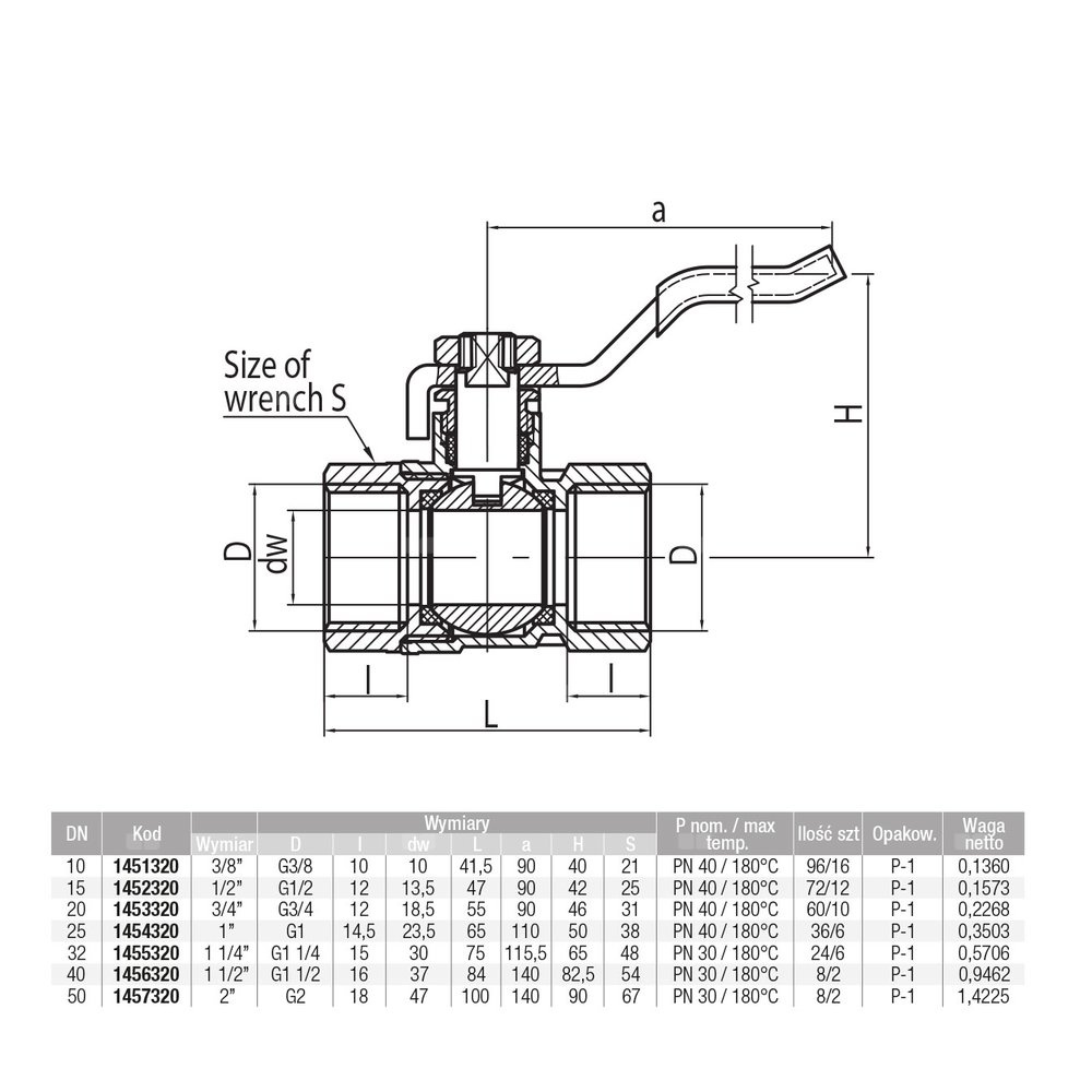
- Zamek zabezpieczający uszczelkę – unikalne rozwiązanie konstrukcyjne
- Ergonomiczny opatentowany kształt dźwigni
- Antyalergiczny system NICKEL-FREE
- Ciśnienie nominalne PN 40
- Max. temperatura pracy: 180°C
- Korpus z mosiądzu CW617N
Marka
Symbol
651452320
Rodzaj towaru
Zawory do wody
EAN
5907451933145
Kod producenta
1452320
Znamionowa średnica wewnętrzna połączenia 1
1/2''
Połączenie 1
Gwint wewnętrzny
Znamionowa średnica wewnętrzna połączenia 2
1/2''
Połączenie 2
Gwint wewnętrzny
Klasa ciśnienia urządzenia
PN40
Materiał obudowy
Mosiądz niklowany
Uchwyt
Dźwignia
Strona www producenta
www.valvex.pl
Zapytaj o produkt
Napisz swoją opinię










