Dodaj produkty podając kody
Dodaj plik CSV
Wpisz kody produktów, które chcesz zbiorczo dodać do koszyka (po przecinku, ze spacją lub od nowej linijki).
Powtórzenie wielokrotnie kodu, doda ten towar tyle razy ile razy występuje.
Przedstawione na niniejszej stronie internetowej informacje nie stanowią oferty handlowej w rozumieniu art.66 par.1 Kodeksu Cywilnego.
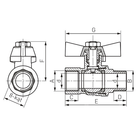
Unikalne cechy produktu:
Wytrzymały korpus wykonany z mosiądzu CW617N. Nickel free - powierzchnie kontaktu z czynnikiem nie są niklowane. Wzmocniona konstrukcja oraz duża ilość zwojów gwintu gwarantują wysoką wytrzymałość. Podwójne uszczelnienie trzpienia z PTFE zapobiega blokowaniu się zaworu.
Dane techniczne:
- Ciśnienie nominalne: 40 bar
- Dławik: tak
- DN: 25
- Kod kreskowy: *W opakowanie z ko
Marka
Symbol
K5KMH31
Rodzaj towaru
Zawory do wody
EAN
5902194914277
Kod producenta
KMH31
Znamionowa średnica wewnętrzna połączenia 1
1''
Połączenie 1
Gwint wewnętrzny
Znamionowa średnica wewnętrzna połączenia 2
1''
Połączenie 2
Gwint zewnętrzny
Uchwyt
motylek
Długość towaru w centymetrach
9.5
Wysokość towaru w centymetrach
4
Szerokość towaru w centymetrach
8
Strona www producenta
www.ferro.pl
Zapytaj o produkt
Napisz swoją opinię










